چگونه یک تراشه جریان ثابت DCDC در تنظیم قدرت با دقت بالا کار می کند؟

2025-12-19 - برای من پیام بگذارید

چکیده مقاله

A تراشه جریان ثابت DCDCیک جزء اصلی در سیستم های مدیریت توان مدرن است که برای ارائه یک جریان خروجی پایدار و قابل کنترل بدون توجه به تغییرات بار یا ولتاژ ورودی طراحی شده است. این مقاله یک مرور فنی جامع از نحوه عملکرد تراشه‌های جریان ثابت DCDC ارائه می‌کند، پارامترهای الکتریکی کلیدی را بررسی می‌کند، سناریوهای کاربردی در دنیای واقعی را بررسی می‌کند و به سؤالات فنی متداول پاسخ می‌دهد. این محتوا به گونه‌ای طراحی شده است که از تصمیم‌گیری مهندسی، انتخاب مؤلفه و بهینه‌سازی سیستم درازمدت پشتیبانی می‌کند و در عین حال با رفتار جستجوی فعلی و عادت‌های خواندن حرفه‌ای همسو می‌شود.

AS6911SGA


فهرست مطالب


طرح کلی محتوا

  • اصول اساسی کار و معماری داخلی
  • توضیح دقیق پارامترهای الکتریکی و حرارتی
  • کاربردهای الکترونیکی صنعتی، خودرویی و مصرفی
  • پرسش‌های متداول فنی برای پرداختن به چالش‌های رایج مهندسی
  • روندهای توسعه آینده و ادغام در سطح سیستم

1. چگونه یک تراشه جریان ثابت DCDC برای تنظیم جریان طراحی شده است؟

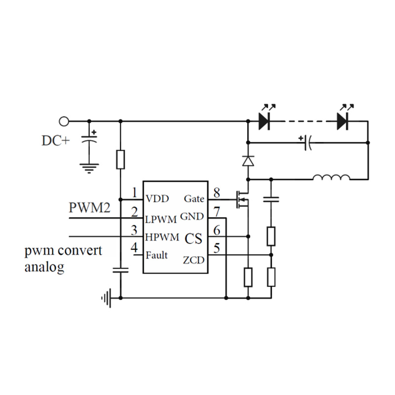
یک تراشه جریان ثابت DCDC یک مدار مجتمع مدیریت توان در حالت سوئیچینگ است که با تنظیم دینامیکی چرخه کار، فرکانس سوئیچینگ و حلقه های کنترل بازخورد، جریان خروجی ثابتی را حفظ می کند. بر خلاف رگولاتورهای ولتاژ ثابت، متغیر کنترل اولیه به جای ولتاژ جریان است، که این نوع تراشه را برای بارهایی مانند LED، دیودهای لیزر، مدارهای شارژ باتری و سنسورهای دقیق ضروری می کند.

در داخل، تراشه یک تقویت‌کننده خطای پرسرعت، مقایسه‌کننده حس جریان، منبع ولتاژ مرجع و درایور MOSFET قدرت را یکپارچه می‌کند. جریان عبوری از بار از طریق یک مقاومت حسی داخلی یا خارجی نمونه برداری می شود. این سیگنال حس شده با یک آستانه مرجع مقایسه می شود و منطق کنترل رفتار سوئیچینگ را برای جبران تغییرات خط یا بار تنظیم می کند.

هدف طراحی مرکزی، پایداری جریان تحت شرایط ورودی متفاوت است. یک تراشه جریان ثابت DCDC با عملکرد در توپولوژی‌های باک، بوست یا باک بوست می‌تواند از محدوده ولتاژ ورودی وسیعی پشتیبانی کند و در عین حال کارایی و ایمنی حرارتی را حفظ کند.


2. چگونه پارامترهای کلیدی عملکرد یک تراشه جریان ثابت DCDC را تعریف می کنند؟

انتخاب یک تراشه جریان ثابت DCDC مناسب نیاز به ارزیابی دقیق مشخصات الکتریکی، حرارتی و کنترلی آن دارد. این پارامترها مستقیماً بر قابلیت اطمینان سیستم، کارایی و انطباق با استانداردهای نظارتی تأثیر می‌گذارند.

پارامتر محدوده معمولی اهمیت فنی
محدوده ولتاژ ورودی 3 ولت - 60 ولت سازگاری با بسته های باتری، آداپتورها یا اتوبوس های صنعتی را تعریف می کند
دقت جریان خروجی ± 1% تا ± 5% دقت تنظیم جریان تحت بارهای دینامیکی را تعیین می کند
فرکانس سوئیچینگ 100 کیلوهرتز - 2 مگاهرتز بر کارایی، عملکرد EMI و اندازه اجزای غیرفعال تأثیر می گذارد
کارایی 85٪ - 98٪ مستقیماً بر اتلاف حرارتی و اتلاف توان تأثیر می گذارد
حفاظت حرارتی 150 تا 170 درجه سانتیگراد خاموش شدن از خرابی دستگاه تحت بار اضافی یا خنک کننده ناکافی جلوگیری می کند

دستگاه‌های پیشرفته همچنین ویژگی‌هایی مانند کنترل شروع نرم، رابط‌های کاهش نور PWM، تنظیم جریان آنالوگ و عیب‌یابی را یکپارچه می‌کنند. این قابلیت ها طراحی در سطح سیستم را ساده می کند و نیاز به مدارهای خارجی را کاهش می دهد.


تراشه جریان ثابت DCDC - پرسش ها و پاسخ های رایج

س: چگونه یک تراشه جریان ثابت DCDC هنگام نوسانات ولتاژ ورودی خروجی ثابتی را حفظ می کند؟

A: تراشه به طور مداوم جریان بار را از طریق یک حلقه بازخورد نظارت می کند و چرخه وظیفه سوئیچینگ را در زمان واقعی تنظیم می کند و هرگونه تغییر در ولتاژ ورودی را بدون تغییر در سطح جریان تنظیم شده جبران می کند.

س: چگونه گرما در برنامه های تراشه جریان ثابت DCDC با جریان بالا مدیریت می شود؟

پاسخ: گرما از طریق توپولوژی های سوئیچینگ با راندمان بالا، R پایین مدیریت می شودDS (روشن)ماسفت ها، مدارهای خاموش کننده حرارتی، و چیدمان های PCB بهینه شده که اتلاف گرما را بهبود می بخشد.

س: چگونه یک تراشه جریان ثابت با یک تنظیم کننده ولتاژ ثابت در طراحی سیستم متفاوت است؟

A: یک تراشه جریان ثابت به جای ثبات ولتاژ، دقت جریان را در اولویت قرار می دهد، و آن را برای بارهای حساس به جریان که ولتاژ ممکن است بسته به شرایط عملیاتی متفاوت باشد، مناسب می کند.


3. چگونه یک تراشه جریان ثابت DCDC در سراسر صنایع اعمال می شود؟

تراشه‌های جریان ثابت DCDC به دلیل انعطاف‌پذیری و کارایی‌شان، به‌طور گسترده در صنایع مختلف مستقر هستند. در سیستم های روشنایی حالت جامد، روشنایی یکنواخت را تضمین می کنند و طول عمر LED را افزایش می دهند. در الکترونیک خودرو، آنها از روشنایی تطبیقی، خوشه‌های ابزار و زیرسیستم‌های مدیریت باتری پشتیبانی می‌کنند.

سیستم‌های اتوماسیون صنعتی از این تراشه‌ها برای هدایت حسگرها، محرک‌ها و اجزای نوری استفاده می‌کنند که نیاز به رفتار جریان قابل پیش‌بینی دارند. دستگاه های پزشکی برای تضمین صحت سیگنال و ایمنی بیمار به تنظیم جریان ثابت متکی هستند. لوازم الکترونیکی مصرفی از یکپارچگی فشرده و مصرف انرژی کم، به ویژه در دستگاه های قابل حمل بهره می برند.

هر سناریوی کاربردی الزامات الکتریکی و محیطی منحصر به فردی را تحمیل می کند و اهمیت انتخاب یک تراشه با ویژگی های حفاظتی مناسب و رابط های کنترلی را تقویت می کند.


4. فناوری تراشه جریان ثابت DCDC چگونه تکامل خواهد یافت؟

تکامل فناوری تراشه جریان ثابت DCDC با افزایش تقاضا برای راندمان بالاتر، تحمل ولتاژ ورودی گسترده تر و کنترل هوشمند هدایت می شود. طرح‌های آینده بر حلقه‌های کنترل دیجیتال، مقیاس‌بندی جریان تطبیقی ​​و ادغام دقیق‌تر با میکروکنترلرها و رابط‌های ارتباطی تأکید دارند.

مواد نیمه هادی با گپ گسترده مانند GaN و SiC با فعال کردن فرکانس های سوئیچینگ بالاتر و کاهش تلفات هدایت، بر معماری های نسل بعدی تأثیر می گذارند. علاوه بر این، ادغام سیستم روی تراشه باعث کاهش ردپایی می شود و در عین حال قابلیت اطمینان را افزایش می دهد.

همانطور که سیستم های قدرت توزیع شده و هوشمندتر می شوند، تنظیم جریان ثابت یک قابلیت اساسی برای پشتیبانی از بهره وری انرژی و بهینه سازی عملکرد باقی خواهد ماند.


Shenzhen Cokintech Co., Ltd.بر توسعه و عرضه راه حل های تراشه جریان ثابت DCDC با کارایی بالا که برای کاربردهای صنعتی، خودرویی و الکترونیکی پیشرفته طراحی شده است، تمرکز دارد. این شرکت از طریق اصلاح مهندسی مداوم و تولید مبتنی بر کیفیت، از طرح‌های مدیریت توان پایدار و مقیاس‌پذیر پشتیبانی می‌کند.

برای مشاوره های فنی، سفارشی سازی پارامتر، یا توصیه های خاص برنامه، لطفاًبا ما تماس بگیریدبرای بحث در مورد الزامات پروژه و فرصت های همکاری طولانی مدت.

ارسال استعلام

X
ما از کوکی ها استفاده می کنیم تا تجربه مرور بهتری به شما ارائه دهیم، ترافیک سایت را تجزیه و تحلیل کنیم و محتوا را شخصی سازی کنیم. با استفاده از این سایت، شما با استفاده ما از کوکی ها موافقت می کنید. سیاست حفظ حریم خصوصی