KP1313SPA یک کنترلر LED کنترل اولیه شبه تشدید با کارایی بالا است که عملکرد خروجی جریان ثابت با دقت بالا را ارائه می دهد، به ویژه برای منبع تغذیه روشنایی ایزوله با توان متوسط و بالا مناسب است.
کنترلر ال ای دی شبه تشدید با راندمان بالا، جریان ثابت اولیه
	
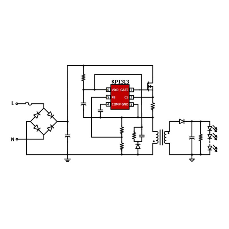
KP1313SPA یک کنترلر LED کنترل اولیه شبه رزونانس با کارایی بالا است که عملکرد خروجی جریان ثابت با دقت بالا را ارائه می دهد، به ویژه برای منبع تغذیه روشنایی ایزوله با توان متوسط و بالا مناسب است.
	
KP1313SPA از حلقه جریان ثابت برای دستیابی به کنترل شبه رزونانسی استفاده میکند و مکانیسم کار روشن کردن پایین دره میتواند تا حد زیادی تلفات سوئیچینگ را کاهش دهد و کارایی را در حین بهبود EMC بهبود بخشد. تراشه ولتاژ خط و جبران جریان ثابت ولتاژ بار را ادغام می کند که می تواند ولتاژ خط و نرخ تنظیم بار عالی را به دست آورد.
	
KP1313SPA انواع مختلفی از عملکردهای حفاظتی را ادغام می کند: حفاظت در برابر ولتاژ VDD (UVLO)، حفاظت از اضافه ولتاژ VDD (OVP)، حفاظت از گرمای بیش از حد (OTP)، حفاظت از جریان دوره چرخه (OCP)، حفاظت LED باز و اتصال کوتاه و غیره.
	 
 
	
• حالت عملیاتی شبه تشدید با راندمان بالا
• پشتیبانی از طراحی بازخورد اولیه دو سیم پیچ، ساده سازی محیطی
• ± 3% دقت جریان ثابت بالا
• جریان عملیاتی بسیار کم
• جبران جریان ثابت یکپارچه برای ولتاژ خط و ولتاژ بار
• فرم بسته بندی SOT23-6L
	
• ویژگی های حفاظت یکپارچه:
• حفاظت از اضافه ولتاژ خروجی (OVP)
• حفاظت در برابر ولتاژ VDD (UVLO)
• حفاظت از جریان مدت هفتگی (OCP)
• محافظ LED باز و اتصال کوتاه
• محافظت در برابر درجه حرارت (OTP)
• خالی کردن جلو (LEB)
	
• روشنایی LED با قدرت بالا
	
	
| دفتر مرکزی شنژن: طبقه 10، ساختمان مرکز تحقیقات و توسعه، پارک صنعتی EVOC، Guangming خیابان، Guangming ناحیه، شهر شنژن، استان گوانگدونگ، چین | |
| وب سایت رسمی شرکت: www.cokinsemi.com | 
						  | 
| پست الکترونیک: wyq@cokinic.com | |
| تلفن:+86-18681585060 | |
| 
						  | |